|
公司基本資料信息
|
|||||||||||||||
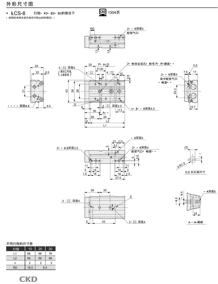
LCS-F-12-10,LCS-F-16-10,LCS-F-20-10,LCS-F-25-10,LCS-F-12-20,CKD線性滑臺(tái)氣缸













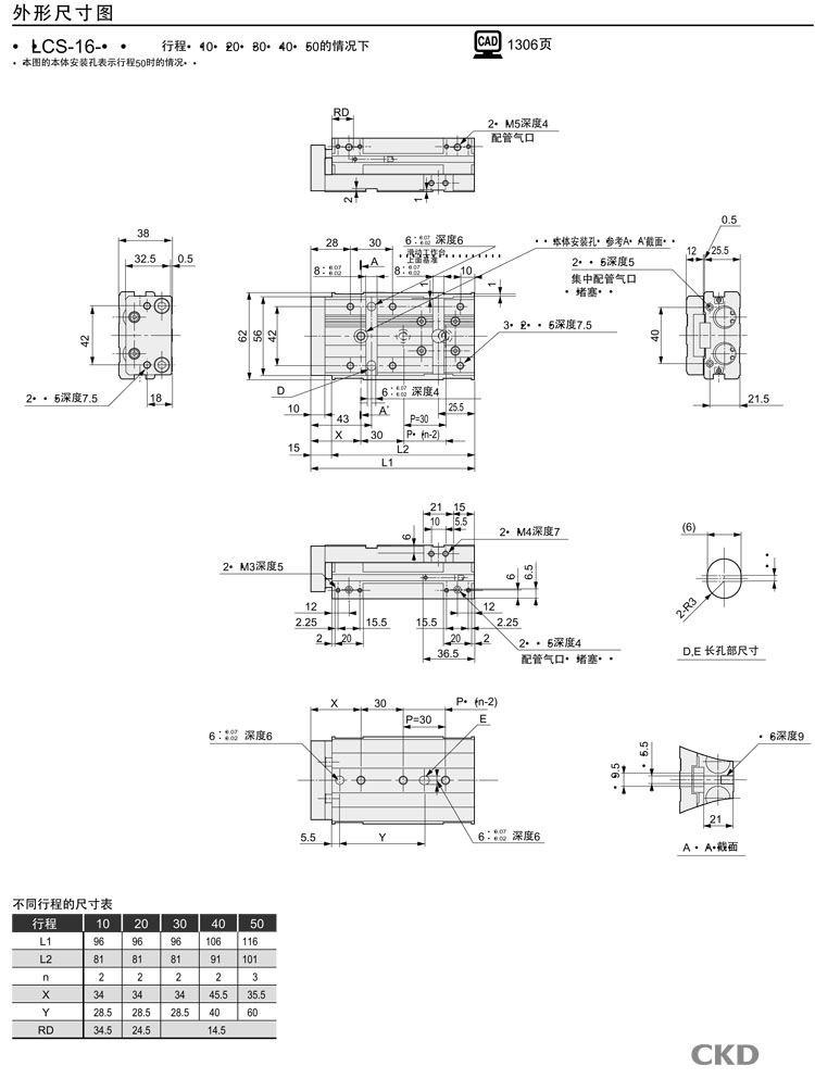
LCS-F-12-30,LCS-F-12-40,LCS-F-12-50,LCS-F-12-75,LCS-F-12-100,LCS-F-12-125,LCS-F-16-20,LCS-F-16-30,LCS-F-16-40,LCS-F-16-50,
LCS-F-16-75,LCS-F-16-100,LCS-F-16-125,LCS-F-16-150,LCS-F-20-150,LCS-F-25-150,LCS-F-20-20,LCS-F-20-30,LCS-F-20-40,LCS-F-20-50,
LCS-F-20-75,LCS-F-20-100,LCS-F-20-125,LCS-F-25-20,LCS-F-25-30,LCS-F-25-40,LCS-F-25-50,LCS-F-25-75,LCS-F-25-100,LCS-F-25-125,