WRB-120-T2,WRJ-130,WRE2-330,WRK-630/PS-05,WRE-530,裝配熱電偶
概述
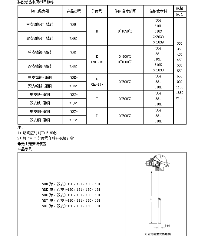
裝配熱電偶通常和顯示儀表、記錄儀表、電子計算等配套使用。直接測量各種生產過程中的0°C~1300°C范圍內液體、蒸汽和氣體介質以及固體表面溫度。 主要特點有:裝配簡單,更換方便;壓簧式感溫元件,抗振性能好;測溫范圍大;機械強度高,耐壓性能好
裝配式熱電偶通常是由熱電極絕緣材料保護管和接線盒等部件組成。其中兩熱電極一端焊接在一起,起感溫元件的作用,是熱電偶的核心部份。絕緣材料的作用是將兩熱電極隔離開,防止短路現像。保護管的作用是使熱電極和被測介質不直接接觸,此外還起固定和支撐熱電偶感溫元件的作用。接線盒的作用是用來固定連接感溫元件與外接導線,并保護感溫元件免受外界氣氛侵蝕。
產品執(zhí)行標準:IEC584、IEC1515、GB/T16839-1997、JB/T5582-91
裝配熱電偶熱電偶在環(huán)境溫度為20±15°C,相對濕度不大于80%,試驗電壓為500±50V(直流)電極與外套管之間的絕緣電阻>1000Ω.m。
WR裝配式熱電偶基本型號
統(tǒng)一設計型熱電偶

WRB-120-T2,WRB-121-T2,WRB2-120-T2,WRB2-121-T2,WRS-120-T1
WRS-121-T1,WRS2-120-T1,WRS2-121-T1,WRK-122-T1,WRK-123-T1
WRK2-121-T1,WRB-130-T2,WRB-131-T2,WRB2-130-T2,WRB2-131-T2
WRS-130-T1,WRS-131-T1,WRS2-130-T1,WRS2-131-T1,WRK-133-T1
WRK2-133-T1,WRN-120,WRN-121,WRN-130,WRN-131
WRN2-120,WRN2-121,WRN2-130,WRN2-131
WRK-120,WRK-121,WRK-130,WRK-131
WRK2-120,WRK2-121,WRK2-130,WRK2-131
WRE-120,WRE-121,WRE-130,WRE-131
WRE2-120,WRE2-121,WRE2-130,WRE2-131
WRJ-120,WRJ-121,WRJ-130,WRJ-131
WRJ2-120,WRJ2-121,WRJ2-130,WRJ2-131
WRT-120,WRT-121,WRT-130,WRT-131
WRT2-120,WRT2-121,WRT2-130,WRT2-131
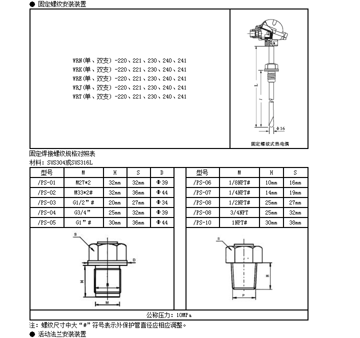
WRN-220,WRN-221,WRN-230,WRN-240,WRN-241
WRN2-220,WRN2-221,WRN2-230,WRN2-240,WRN2-241
WRK-220,WRK-221,WRK-230,WRK-240,WRK-241
WRK2-220,WRK2-221,WRK2-230,WRK2-240,WRK2-241
WRE-220,WRE-221,WRE-230,WRE-240,WRE-241
WRE2-220,WRE2-221,WRE2-230,WRE2-240,WRE2-241
WRJ-220,WRJ-221,WRJ-230,WRJ-240,WRJ-241
WRJ2-220,WRJ2-221,WRJ2-230,WRJ2-240,WRJ2-241
WRT-220,WRT-221,WRT-230,WRT-240,WRT-241
WRT2-220,WRT2-221,WRT2-230,WRT2-240,WRT2-241
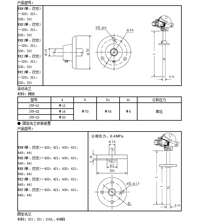
WRN-320,WRN-321,WRN-330,WRN-331
WRN2-320,WRN2-321,WRN2-330,WRN2-331
WRK-320,WRK-321,WRK-330,WRK-331
WRK2-320,WRK2-321,WRK2-330,WRK2-331
WRE-320,WRE-321,WRE-330,WRE-331
WRE2-320,WRE2-321,WRE2-330,WRE2-331
WRJ-320,WRJ-321,WRJ-330,WRJ-331
WRJ2-320,WRJ2-321,WRJ2-330,WRJ2-331
WRT-320,WRT-321,WRT-330,WRT-331
WRT2-320,WRT2-321,WRT2-330,WRT2-331
WRN-420,WRN-421,WRN-430,WRN-431,WRN-440,WRN-441
WRN2-420,WRN2-421,WRN2-430,WRN2-431,WRN2-440,WRN2-441
WRK-420,WRK-421,WRK-430,WRK-431,WRK-440,WRK-441
WRK2-420,WRK2-421,WRK2-430,WRK2-431,WRK2-440,WRK2-441
WRE-420,WRE-421,WRE-430,WRE-431,WRE-440,WRE-441
WRE2-420,WRE2-421,WRE2-430,WRE2-431,WRE2-440,WRE2-441
WRJ-420,WRJ-421,WRJ-430,WRJ-431,WRJ-440,WRJ-441
WRJ2-420,WRJ2-421,WRJ2-430,WRJ2-431,WRJ2-440,WRJ2-441
WRT-420,WRT-421,WRT-430,WRT-431,WRT-440,WRT-441
WRT2-420,WRT2-421,WRT2-430,WRT2-431,WRT2-440,WRT2-441
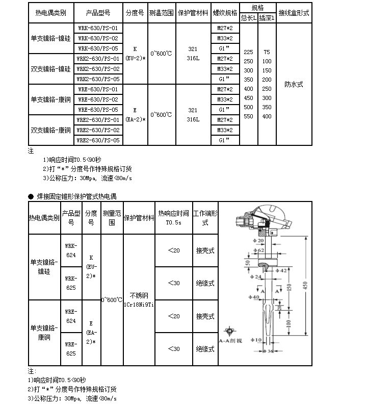
WRK-630/PS-01,WRK-630/PS-02,WRK-630/PS-05,WRK2-630/PS-02,WRK2-630/PS-05
WRE-630/PS-02,WRE-630/PS-05,WRE2-630/PS-01,WRE2-630/PS-02,WRE2-630/PS-05
WRK-624,WRK-625,WRE-624,WRE-625,WRK-530 WRK2-530,WRE-530,WRE2-530