|
公司基本資料信息
|
|||||||||||||||
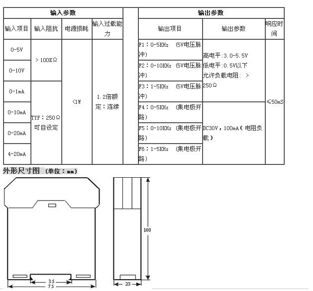
將直流輸入信號轉換成單位脈沖信號0-5KHZ/0-10KHZ
0-5KHz/0-10KHz/1-5KHz脈沖信號轉換器
沖信號轉換器
產 品 說 明
DIN 11 V/F變換器
主要特性
將直流輸入信號轉換成單位脈沖信號。
精度等級:0.1級、0.2級。產品出廠前已檢驗校正,用戶可以直接使用。
國際標準信號輸入:0-5V/0-10V/1-5V,0-10mA/0-20mA/4-20mA等。
輸出標準信號:0-5KHz/0-10KHz/1-5KHz等。
全量程范圍內極高的線性度(非線性度<0.1%)
信號輸入/輸出/輔助電源,3KVDC三隔離


產品型號:
DIN11IBF-U1-P1,DIN11IBF-U1-P2,DIN11IBF-U1-P3,DIN11IBF-U1-P4,DIN11IBF-U1-P5,
DIN11IBF-U2-P1,DIN11IBF-U2-P2,DIN11IBF-U2-P3,DIN11IBF-U2-P4,DIN11IBF-U2-P5,
DIN11IBF-U3-P1,DIN11IBF-U3-P2,DIN11IBF-U3-P3,DIN11IBF-U3-P4,DIN11IBF-U3-P5,
DIN11IBF-A1-P1,DIN11IBF-A1-P2,DIN11IBF-A1-P3,DIN11IBF-A1-P4,DIN11IBF-A1-P5,
DIN11IBF-A2-P1,DIN11IBF-A2-P2,DIN11IBF-A2-P3,DIN11IBF-A2-P4,DIN11IBF-A2-P5,
DIN11IBF-A3-P1,DIN11IBF-A3-P2,DIN11IBF-A3-P3,DIN11IBF-A3-P4,DIN11IBF-A3-P5,
DIN11IBF-A4-P1,DIN11IBF-A4-P2,DIN11IBF-A4-P3,DIN11IBF-A4-P4,DIN11IBF-A4-P5,
DIN11IBF-A5-P1,DIN11IBF-A5-P2,DIN11IBF-A5-P3,DIN11IBF-A5-P4,DIN11IBF-A5-P5,