|
公司基本資料信息
|
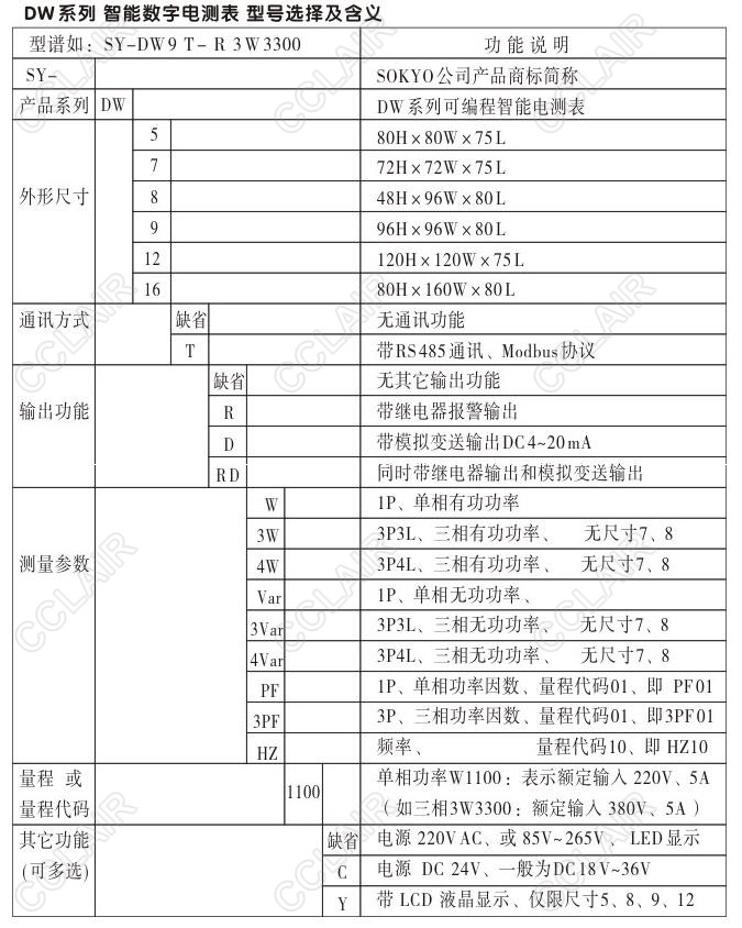
|||||||||||||||
SY-DW5-3PF3300Y,SY-DW5-R3PF3300,SY-DW5-R3PF3300C,SY-DW5-R3PF3300Y,SY-DW5-D3PF3300,SY-DW5-D3PF3300C,SY-DW5-D3PF3300Y,SY-DW5-RD3PF3300,SY-DW5-RD3PF3300C,SY-DW5-RD3PF3300Y,SY-DW5T-3PF3300,SY-DW5T-3PF3300C,SY-DW5T-3PF3300Y,SY-DW5T-R3PF3300,SY-DW5T-R3PF3300C,SY-DW5T-R3PF3300Y,SY-DW5T-D3PF3300,SY-DW5T-D3PF3300C,SY-DW5T-D3PF3300Y,SY-DW5T-RD3PF3300,SY-DW5T-RD3PF3300C,SY-DW5T-RD3PF3300Y,DW5-3PF3300Y,DW5-R3PF3300,DW5-R3PF3300C,DW5-R3PF3300Y,DW5-D3PF3300
DW5-D3PF3300C,DW5-D3PF3300Y,DW5-RD3PF3300,DW5-RD3PF3300C,DW5-RD3PF3300Y,DW5T-3PF3300,DW5T-3PF3300C,DW5T-3PF3300Y,DW5T-R3PF3300,DW5T-R3PF3300C,DW5T-R3PF3300Y,DW5T-D3PF3300,DW5T-D3PF3300C,DW5T-D3PF3300Y,DW5T-RD3PF3300,DW5T-RD3PF3300C,DW5T-RD3PF3300Y




