|
公司基本資料信息
|
|||||||||||||||






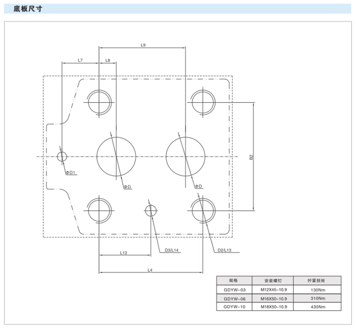
GDYWC-10G2-5,GDYWC-10G2-10,GDYWC-10G2-20,GDYWC-10G2-31.5,GDYWC-10G2-35,GDYWC-10G2-35A-1/D24A/53 隔爆電磁溢流閥 GDYWC-10G2-5A-1/D24A/53,GDYWC-10G2-10A-1/D24A/53,GDYWC-10G2-20A-1/D24A/53,GDYWC-10G2-31.5A-1/D24A/53,GDYWC-10G2-35A-1/D24A/53, GDYWC-10G2-5B-1/D24A/53,GDYWC-10G2-10B-1/D24A/53,GDYWC-10G2-20B-1/D24A/53,GDYWC-10G2-31.5B-1/D24A/53,GDYWC-10G2-35B-1/D24A/53,