|
公司基本資料信息
|
|||||||||||||||
<div jquery172027001781178872264="80" data-mod-config="{"showOn":["mod-detail-deion"],"title":"詳細(xì)信息","tabConfig":{"trace":"tabdetail","showKey":"mod-detail-deion"}}" mod-info="">
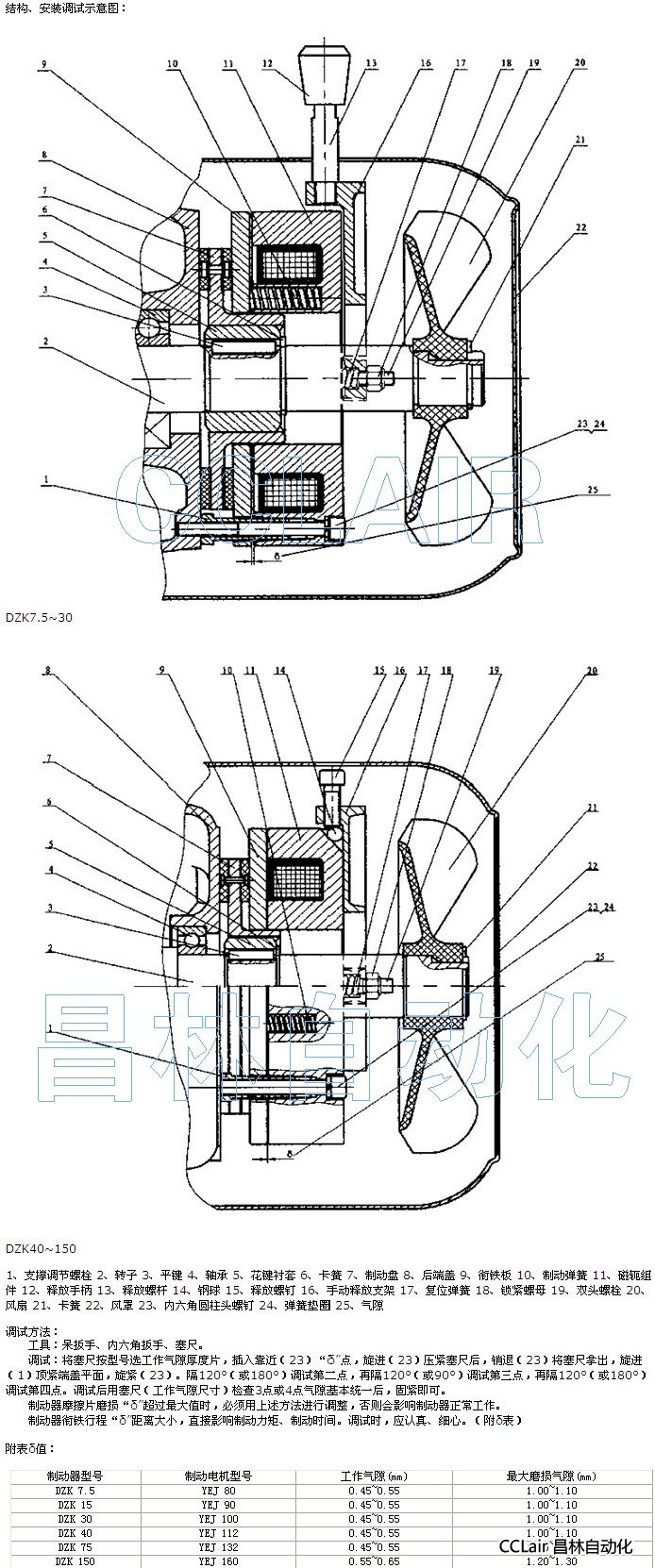
DZK40-150,DZK7.5-30,DZK15-90,DZK30-100,DZK75-132,DZK150-160,DZM0.5-03,釋放制動器


DZK40-150,DZK7.5-30,DZK15-90,DZK30-100,DZK75-132,DZK150-160,DZM0.5-03