HKG3H-AW,HKG3H-P,HGF3H-AW,HGF3H-BW,復(fù)合功能閥
HKF3H-P-Q1-40-025B,HKF3H-P-Q2-40-025B,HKF3H-P-Q3-40-025B,
HFG3H-P-40-D4-025B,HFG3H-P-40-D5-025B,
HKF3H-W-Y1-40K-025B,HKF3H-W-Y2-40K-025B,HKF3H-PW-Q1-40K-025B,
HKF3H-PW-Q2-40K-025B,HKF3H-PW-Q3-40K-025B,
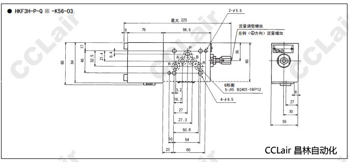
HKF3H-P-Q1-80-03,HKF3H-P-Q2-80-03,HKF3H-P-Q3-80-03,HKF3H-P-Q1-K56-03,無錫昌林
HKF3H-P-Q2-K56-03,HKF3H-P-Q3-K56-03,HKG3H-P-Q1-B1-03,HKG3H-P-Q1-B2-03,
HKG3H-P-Q1-B3-03,HKG3H-P-Q2-B1-03,HKG3H-P-Q2-B2-03,HKG3H-P-Q2-B3-03,
HKG3H-P-Q3-B1-03,HKG3H-P-Q3-B2-03,HKG3H-P-Q3-B3-03,
HFG3H-P-80-B1-03HFG3H-P-80-B2-03,HFG3H-P-80-B3-03,
HKF3H-W-Y1-80K-03,HKF3H-W-Y2-80K-03,HKF3H-PW-Q1-80K-03,HKF3H-PW-Q2-80K-03,
HKF3H-PW-Q3-80K-03,HGF3H-AW-B1-80K-03,HGF3H-AW-B2-80K-03,HGF3H-AW-B3-80K-03,無錫昌林
HGF3H-BW-B1-80K-03,HGF3H-BW-B2-80K-03,HGF3H-BW-B3-80K-03,







